|
English
German
Russian
French
Spanish
Portuguese
Italian
Japanese
Albanian
Arabic
Azerbaijani
Irish
Estonian
Basque
Belarusian
Bulgarian
Icelandic
Polish
Bosnian
Persian
Afrikaans
|
Inquiry List
|
Sign In
or
Sign Up
Home
Products
Flyaway Antenna
Earth Station Antenna
TVRO Antenna
VSAT Antenna
Ka Band Antenna
Satcom On The Move Antenna
Vehicle Mounted Antenna
Antenna Controllers
Antenna Tracking Receivers
RF Products
Antenna Accessories with RF Products
Solution
Support
Feedback
SUCCESSFUL CASES
Contact Us
Why-Choose-Alignsat
Company News
Industry News
Newsletter
for wholesale
Subscribe free newsletter to get latest products and discount information.
Home
>>
Industry News
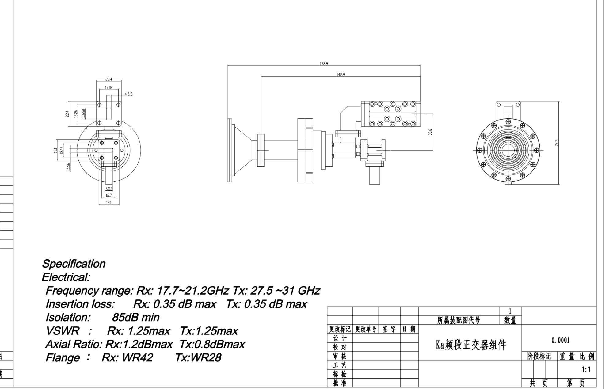
Ka band New feed system
Views : 659
Author : Alignsat
Update time : 2024-09-11 13:56:56
Next :
Enterprise VSAT System Market Predicted to Grow from US$ 3.65-B in 2017 to US$ 7.56-B in 2026
Alignsat Communication Technologies Co.,Ltd 2016© All Rights Reserved.
POWERED BY UEESHOP